Ogrzewanie
Co oznacza kondensacja w kotle grzewczym?
Kondensacja w kotle to skroplenie pary wodnej zawartej w spalinach.
Ogrzewanie podłogowe: montaż elektrycznych kabli grzejnych
Elektryczne ogrzewanie podłogowe wykonuje się dwiema metodami. W pierwszej z nich - tradycyjnej, określanej też jako mokra - kable zalewane są wylewką betonową. W drugiej - suchej, znacznie szybszej - stosuje się specjalne płyty ze styropianu.
Jak zapewnić wysoką sprawność gazowego kotła kondensacyjnego?
Sprawność gazowych kotłów kondensacyjnych ma decydujący wpływ na oszczędności zużywanego przez nie gazu, czyli w efekcie na obniżenie opłat za ogrzewanie i ciepłą wodę.
Ogrzewanie sufitowe
Ogrzewanie sufitowe doskonale sprawdzi się na przykład tam, gdzie brak jest miejsca na grzejniki ścienne, a w projekcie domu zaplanowane mamy duże przeszklenia.
Podłogowe ogrzewanie elektryczne: cieplejsza łazienka
Aby w remontowanej łazience było cieplej, można zastosować w niej dodatkowe elektryczne ogrzewanie podłogowe, które będzie wspomagać działanie grzejnika drabinkowego. Do wyboru mamy matę lub przewody grzejne.
Grzejniki najczęściej montowane w naszych domach
Najbardziej typowe modele to białe grzejniki o wysokości 60 cm. Wiesza się je zwykle na ścianie pod oknem, a do instalacji centralnego ogrzewania podłącza od dołu.
Dlaczego opłaca się montować kotły kondensacyjne?
W wielu krajach, takich jak Wielka Brytania, Dania czy Holandia, już dawno zaprzestano stosowania kotłów atmosferycznych. Montowane są tam wyłącznie urządzenia kondensacyjne - mniej bowiem spalają gazu i emitują spalin.
Dlaczego kominek może chłodzić zamiast ogrzewać dom
Głównym zadaniem kominka jest oczywiście ogrzewanie pomieszczeń. Niestety, bardzo często się zdarza, że je wychładza.
Jakiego kotła grzewczego potrzebujesz
Moc kotła dobiera się tak, aby zapewnił on odpowiedni komfort cieplny w domu podczas mrozów (w obliczeniach przyjmuje się temperaturę od -16 do -24°C, zależnie od regionu Polski). Gdy jest tak zimno, palnik pracuje z krótkimi przerwami, dzięki czemu kocioł osiąga wysoką sprawność. Jednak większość kotłów gazowych nie tylko ogrzewa dom, ale również przygotowuje ciepłą wodę do mycia, kąpieli i sprzątania. Jak wtedy należy określić ich wielkość? Czym się kierować - mocą na cele grzewcze czy zapotrzebowaniem na ciepłą wodę? A może należy sumować obie te wartości?
Co zrobić, żeby nie było korozji w instalacji grzewczej?
Niestety, każda instalacja centralnego ogrzewania, nawet zamknięta, narażona jest na korozję. Wynika to zamontowania w niej różnych materiałów o odmiennych właściwościach, na przykład: rur z miedzi, grzejników płytowych ze stali oraz filtrów i zaworów z mosiądzu lub brązu. Dlatego tak ważne jest dokładne wypłukanie instalacji po zakończeniu prac montażowych, a także stosowanie odpowiednich inhibitorów, które zapobiegają korozji.
Różne grzejniki w jednej instalacji
Nic w tym dziwnego, że w jednej instalacji grzewczej znajdują się różne grzejniki. Jedne bowiem lepiej sprawdzają się w salonie, drugie - w korytarzu, a jeszcze inne - w łazience.
Sposoby ogrzewania wody w kotle gazowym
Dwa najpopularniejsze sposoby przygotowania ciepłej wody w kotle gazowym, to ogrzewanie jej na zasadzie przepływowej lub pojemnościowej w zasobniku.
Bezpieczna eksploatacja tradycyjnego kotła gazowego
A co jeśli jest słaby ciąg w kominie, powstaje ciąg wsteczny lub mamy zatkany komin...
Powietrzna pompa ciepła w układzie grzewczym z grzejnikami czy podłogówką?
Pompę ciepła poleca się przede wszystkim do współpracy z instalacjami niskotemperaturowymi.
Jak dobrać moc powietrznej pompy ciepła?
Najlepiej zadanie doboru mocy pompy powietrznej powierzyć projektantowi instalacji grzewczej. W swoich obliczeniach uwzględni on zarówno zapotrzebowanie na ciepło dla budynku oraz wymaganą ilość ciepłej wody do mycia.
Odprowadzanie spalin z kotła - najczęściej stosowane sposoby
Spaliny z kotłów z zamkniętą komorą i kondensacyjnych spaliny najczęściej usuwa się, stosując gotowy zestaw powietrzno-spalinowy.
Państwo Zielińscy wybierają ogrzewanie - grzejniki elektryczne plus kominek
Tym razem państwo Zielińscy zastanawiają się nad połączeniem dwóch źródeł ciepła - grzejników elektrycznych i wkładu kominkowego.
Grzejniki łazienkowe standardowe i dla koneserów
Do łazienki zazwyczaj poszukuje się grzejnika, który nie tylko ją ogrzeje. Powinien on jeszcze spełniać inne funkcje - wieszaka, suszarki lub ścianki działowej.
Kominki - 10 rad doświadczonego kominkarza
Kominek to nie komoda. Nie wciśniemy go byle gdzie, nie da się też go łatwo przestawić, gdy zostanie już podłączony i obudowany. Dlatego warto o nim pomyśleć dużo wcześniej - na pewno nie podczas prac wykończeniowych.
Ogrzewanie elektryczne - maty grzejne
Maty grzejne mogą być samoprzylepne oraz takie, które trzeba mocować do podłoża zaprawa klejową.
Państwo Zielińscy wybierają ogrzewanie - kominek z płaszczem wodnym
Nowoczesny kominek z płaszczem wodnym - podgrzewający wodę - może być podstawowym lub uzupełniającym źródłem ciepła w domu. Aby było to możliwe, należy go włączyć w instalację centralnego ogrzewania.
Ogrzewanie elektryczne - przydział mocy
W powszechnym przekonaniu ogrzewanie elektryczne jest kosztowne w eksploatacji. Opinia ta zrodziła się w czasach, gdy budynki były źle izolowane, a więc ich zapotrzebowanie na ciepło znacznie przewyższało obecne standardy.
7 miejsc na kocioł gazowy
Nowoczesny kocioł gazowy można umieścić w wielu miejscach domu; w kotłowni, kuchni lub w łazience. Warunek jest tylko jeden - przeznaczone na niego pomieszczenie musi spełniać niezbyt wygórowane wymagania techniczne.
Kocioł gazowy - jaki do jakiego pomieszczenia
Zgodnie z obecnymi przepisami, gazowe kotły grzewcze o mocy do 30 kW można montować w pomieszczeniach, które nie są przeznaczone na stały pobyt ludzi - czyli takich, w których przebywanie tych samych osób w ciągu doby trwa krócej niż cztery godziny.
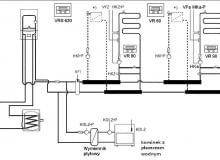
Ogrzewanie - system solarny, kocioł i kominek
Na pytanie użytkownika odpowiada ekspert Mariusz Jóźwiak - Ekspert Techniczny firmy Vaillant.
Pompy ciepła - budowa, dobór mocy oraz koszt inwestycji
Prosta i stosunkowo tania instalacja, a potem niekłopotliwe użytkowanie - to główne atuty powietrznych pomp ciepła.
Dwa kominki - jeden w salonie, drugi na tarasie
Jeśli chcesz mieć jeden kominek na tarasie, a drugi w salonie, najlepiej zaplanuj je tak, żeby miały wspólny komin.
Ogrzewanie z kotła kondensacyjnego, a kominek z płaszczem wodnym
Na pytanie użytkownika odpowiada ekspert Mariusz Jóźwiak - Ekspert Techniczny firmy Vaillant
Gruntowa pompa ciepła a zalegający śnieg w ogrodzie
Mam pompę ciepła z kolektorem poziomym w ogrodzie. Czy to możliwe, że z tego powodu śnieg na mojej działce potrafi leżeć nawet do kwietnia, a wiosna jest później niż u sąsiada? B.Z. Warszawa
Ile kosztuje ogrzewanie wody
W kosztach eksploatacyjnych domu musimy uwzględnić nie tylko koszty dostarczenia wody i odprowadzenia ścieków, ale również koszt podgrzania wody użytkowej. Zależy on od tego, ile zużywamy jej do mycia i sprzątania, czym ją podgrzewamy i w jakim urządzeniu.































